We ship from multiple warehouses throughout the USA
to get you what you need as fast as possible!
Millions of items in stock!
Fast online checkout - No account required
Cart 0
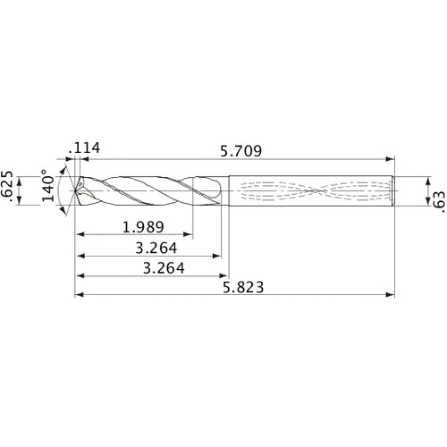
MVS1588X03S160 DP1020 5/8″ Dia. × 0.63″ Shank × 3.264″ Flute Length × 5.823″ OAL, 140°, 2 Flute, Coolant Thru, Solid Carbide Drill

MVS1588X03S160 DP1020 5/8″ Dia. × 0.63″ Shank × 3.264″ Flute Length × 5.823″ OAL, 140°, 2 Flute, Coolant Thru, Solid Carbide Drill


Item #: MB03694006
Brand: Mitsubishi Materials USA
Model #: 694006

Product Specifications
Drill Bit Size / Cutting Diameter (DC) 5/8″
Flute Helix Angle (FHA) 30 Degrees
Drill Bit Size / Cutting Diameter (DC) - Inch 5/8″
Cutting Edge Material Carbide
Decimal Equivalent 0.625″
Grade DP1020
Length Group 3xD
Measurement Type Inch
Applicable Material Steel | Stainless Steel | Cast Iron | Hard Materials | Super-Alloys / Titanium | Aluminum / Non-Ferrous Materials
Series/List # MVS_INCH
Connection Diameter Machine Side (DCONMS) 0.63″
Usable Length (LU) 1.989″
Head Length (LH) 3.264″
Length Chip Flute (LCF) 3.264″
Coolant Supply Property (CSP) Coolant Thru
Overall Length (OAL) 5.823″
Point Angle (SIG) 140 Degrees
Flute Count (NOF) 2
Point Length (PL) 0.114″
Feature New grade DP1020 offers long tool life for a wide range of work materials.,Unique coolant supply technology, TRI-cooling offers high machining efficiency. (on drills over ø6)
Functional Length (LF) 5.709″
$463.40

2% Off All Online Orders
Use Code: 2%OFF

Best Price Guarantee - Email Us A Better Published Price and We'll Beat It