We ship from multiple warehouses throughout the USA
to get you what you need as fast as possible!
Millions of items in stock!
Fast online checkout - No account required
Cart 0
VF2XLD0100N120

VF2XLD0100N120


Item #: MB03509624
Brand: Mitsubishi Materials USA
Model #: 509624

Product Specifications
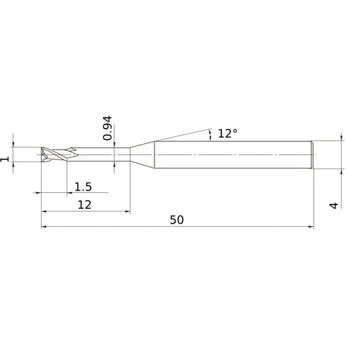
Cutting Diameter (DC) 1 mm
Usable Length (LU) 12 mm
Connection Diameter Machine Side (DCONMS) 4 mm
Neck Diameter (DN) 0.94 mm
Depth of Cut Maximum (APMX) 1.5 mm
Body Half Taper Angle (BHTA) 12 Degrees
Overall Length (OAL) 50 mm
Peripheral Effective Cutting Edge Count (ZEFP) 2
Coating VF
Length Group Long - Necked
Flute Count (NOF) 2
Measurement Type Metric
Flute Helix Angle (FHA) 30 Degrees
Series/List # VF2XL
End Shape Center Cutting
$76.90

2% Off All Online Orders
Use Code: 2%OFF

Best Price Guarantee - Email Us A Better Published Price and We'll Beat It