We ship from multiple warehouses throughout the USA
to get you what you need as fast as possible!
Millions of items in stock!
Fast online checkout - No account required
Cart 0
‎ASX445-200C20R MILL

‎ASX445-200C20R MILL


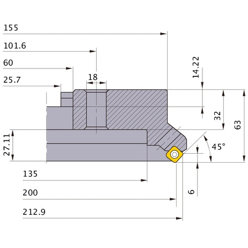
Item #: MB03490329
Brand: Mitsubishi Materials USA
Model #: 490329

Product Specifications
Cutting Diameter (DC/DCX) 200 mm
Cutting Direction (HAND) Right Hand
Cutting Diameter (DC) 200 mm
Measurement Type Metric
Cutting Diameter Maximum (DCX) 212.9 mm
Functional Length (LF) 63 mm
Depth of Cut Maximum (APMX) 6 mm
Tool Cutting Edge Angle (KAPR) 45 Degrees
Connection Diameter Machine Side (DCONMS) 60 mm
Series/List # ASX445_MM
$3,276.88

2% Off All Online Orders
Use Code: 2%OFF

Best Price Guarantee - Email Us A Better Published Price and We'll Beat It