We ship from multiple warehouses throughout the USA
to get you what you need as fast as possible!
Millions of items in stock!
Fast online checkout - No account required
Cart 0
VF3XBR0100T0130L035

VF3XBR0100T0130L035


Item #: MB03451215
Brand: Mitsubishi Materials USA
Model #: 451215

Product Specifications
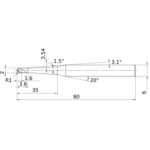
Cutting Diameter (DC) 2 mm
Corner Radius (RE) 1 mm
Connection Diameter Machine Side (DCONMS) 6 mm
Neck Diameter (DN) 3.54 mm
Depth of Cut Maximum (APMX) 1.6 mm
Body Half Taper Angle (BHTA) 1.5 Degrees
Overall Length (OAL) 80 mm
Length Group Taper Neck
Coating VF
End Shape Ball Nose
Flute Count (NOF) 3
Measurement Type Metric
Flute Helix Angle (FHA) 30 Degrees
Series/List # VF3XB
Usable Length (LU) 3.6 mm
$132.03

2% Off All Online Orders
Use Code: 2%OFF

Best Price Guarantee - Email Us A Better Published Price and We'll Beat It