We ship from multiple warehouses throughout the USA
to get you what you need as fast as possible!
Millions of items in stock!
Fast online checkout - No account required
Cart 0
VF3XBR0050T0130L016

VF3XBR0050T0130L016


Item #: MB03450896
Brand: Mitsubishi Materials USA
Model #: 450896

Product Specifications
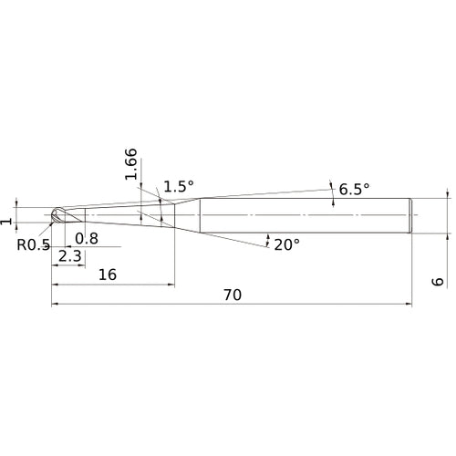
Cutting Diameter (DC) 1 mm
Corner Radius (RE) 0.5 mm
Connection Diameter Machine Side (DCONMS) 6 mm
Neck Diameter (DN) 1.66 mm
Depth of Cut Maximum (APMX) 0.8 mm
Body Half Taper Angle (BHTA) 1.5 Degrees
Overall Length (OAL) 70 mm
Length Group Taper Neck
Coating VF
End Shape Ball Nose
Flute Count (NOF) 3
Measurement Type Metric
Flute Helix Angle (FHA) 30 Degrees
Series/List # VF3XB
Usable Length (LU) 2.3 mm
$121.04

2% Off All Online Orders
Use Code: 2%OFF

Best Price Guarantee - Email Us A Better Published Price and We'll Beat It