
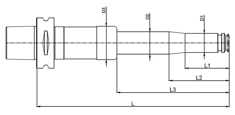
C6 x PG 15 x 225mm XL Capto Capto powRgrip Collet Holder
Item #: GM21888673050
Manufacturer: Rego-Fix
Mfg #: 8886.7305
Technical Specifications:
*Brand Name: Rego-Fix *Collet Style/Fits: PG30 *Gage Length: 225mm *Mount: C6 *Nose Diameter: 24mm *Style: Capto powRgrip Collet Holder *Type: Extra Long
Description:
*T.I.R. <3 µ¼m *Highest clamping force and transferable force *Surface finish max. Ra 0.25 *Q+ balanced to G 2.5 @ 25000 min-1 *Ideal for high speed cutting and high performance cutting *Ready to accept Hi-Q balancing rings which allow to offset the imbalance introduced by the cutting tool up to 80000 min-1
Shipping Info:
*Actual Weight - .2500
2% Off All Online Orders
Use Code: 2%OFF
Best Price Guarantee - Email Us A Better Published Price and We'll Beat It